您好,欢迎进入xk星空体育直播平台官方网站!

与时俱进,诚赢客户

龙门吊、提梁机、星空体育官方账号生产厂家

服务电话:13782575673

技术资料

您现在所在位置:首页>>技术资料>>16/3.2吨双梁行车桥式起重机性能参数

16/3.2吨双梁行车桥式起重机性能参数

本文链接://m.xlhydra.com/jszc/1400.html   发布时间:2022-01-24 11:43:54  点击量:2131

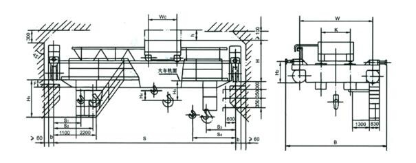
  16/3.2吨双梁行车也属于桥式起重机,一般运用在房间内场所。该吨数双梁行车有主辅2个起重吊钩。双梁桥式起重机的工作中等级一般为A5、A6,可以运用在工作中较为经常或是载重比较大的场地。我为各位详细介绍下16/3.2吨双梁驾驶的性能参数。

  16/3.2吨双梁行车结构图

16/3.2吨双梁行车结构图

  16/3.2吨双梁行车参数图

16/3.2吨双梁行车参数图

文章聚合页面: 起重机参数 16吨

技术资料

联系我们

CONTACT US

联系人:徐经理

手机:13782575673

电话:0373-8611375

邮箱:hnzyaqqz@126.com

官网:m.xlhydra.com

地址:河南长垣起重工业园区华豫大道中段

Baidu
map