您好,欢迎进入xk星空体育直播平台官方网站!

与时俱进,诚赢客户

龙门吊、提梁机、星空体育官方账号生产厂家

服务电话:13782575673

技术资料

您现在所在位置:首页>>技术资料>>16吨电动单梁起重机性能参数

16吨电动单梁起重机性能参数

本文链接://m.xlhydra.com/jszc/1349.html   发布时间:2022-01-21 09:09:43  点击量:2310

  16吨电动单梁起重机是吊重为16吨的xk星空体育官网登录,广泛运用于机械设备制造生产车间、原油、石油化工、海港、铁路线、民用航空、发电厂、造纸工业、装饰建材、电子器件等领域的生产车间、库房、石料场等运用頻率低或额定值吊重吊装频次少的场地。我为各位共享下16吨电动单梁起重机性能参数。

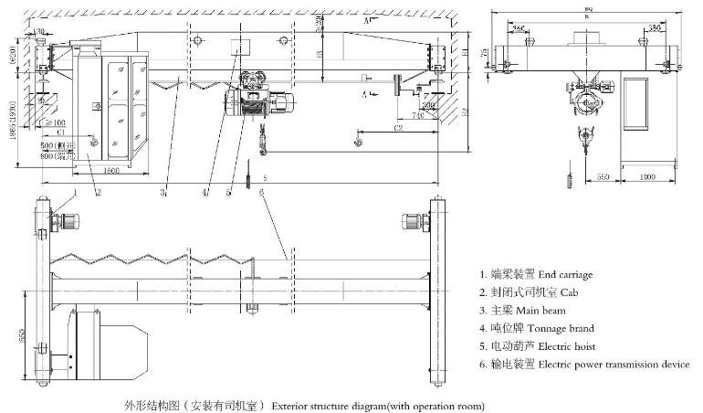
  16吨电动单梁起重机结构图

16吨电动单梁起重机结构图

16吨电动单梁起重机性能参数图

16吨电动单梁起重机性能参数图

文章聚合页面: 单梁起重机

技术资料

联系我们

CONTACT US

联系人:徐经理

手机:13782575673

电话:0373-8611375

邮箱:hnzyaqqz@126.com

官网:m.xlhydra.com

地址:河南长垣起重工业园区华豫大道中段

Baidu
map